annuler
Affichage des résultats de 
Rechercher plutôt 
Vouliez-vous dire : 

Rejoignez nous, partagez votre expérience!

Matériel DV

profile.country.FR.title
JLB1951
Explorateur

Matériel DV

Bonjour

Je suis possesseur d'un caméscope DV de référence DCR-VX2100 et d'un magnétoscope DV de référence DHR1000.

Je n'arrive pas à trouver où je pourrai faire réviser ou réparer ce type de matériel.

Quelqu'un aurait une idée ?

Cordialement

5 RÉPONSES 5
profile.country.FR.title
Lorraine__A
Moderator

Bonsoir JLB1951,

 

Avez-vous essayé de vous rapprocher des revendeurs spécialisés en photo/vidéo de votre région ? Peut-être que l'outil de recherche de magasins sur la page suivante vous aidera, si besoin : https://bit.ly/3aW5qp8

 

Bien cordialement,

Lorraine__A

profile.country.FR.title
JLB1951
Explorateur

Merci de votre réponse rapide.

Les réparateurs classiques ne font pas.

Avant, il y avait:

E.V.COM (Equipement Vidéo Communication) : réparateur agréé des plus grandes marques de l’audiovisuel professionnel. (SONY®, JVC®…) à  92400 COURBEVOIE

mais ils ne font plus que le matériel professionnel.

profile.country.FR.title
Lorraine__A
Moderator

Dans ce cas-là, je vous suggère de contacter l'Assistance Sony pour voir s'ils peuvent vous aider. Vous pourrez trouver leurs points de contact sur la page suivante : https://bit.ly/3irTfG5

 

Bien cordialement,

Lorraine__A

 

profile.country.FR.title
JLB1951
Explorateur

Merci.

Je leur ai envoyé un mail.

profile.country.FR.title
bouexiere
Contributeur

Bonsoir  JLB1951

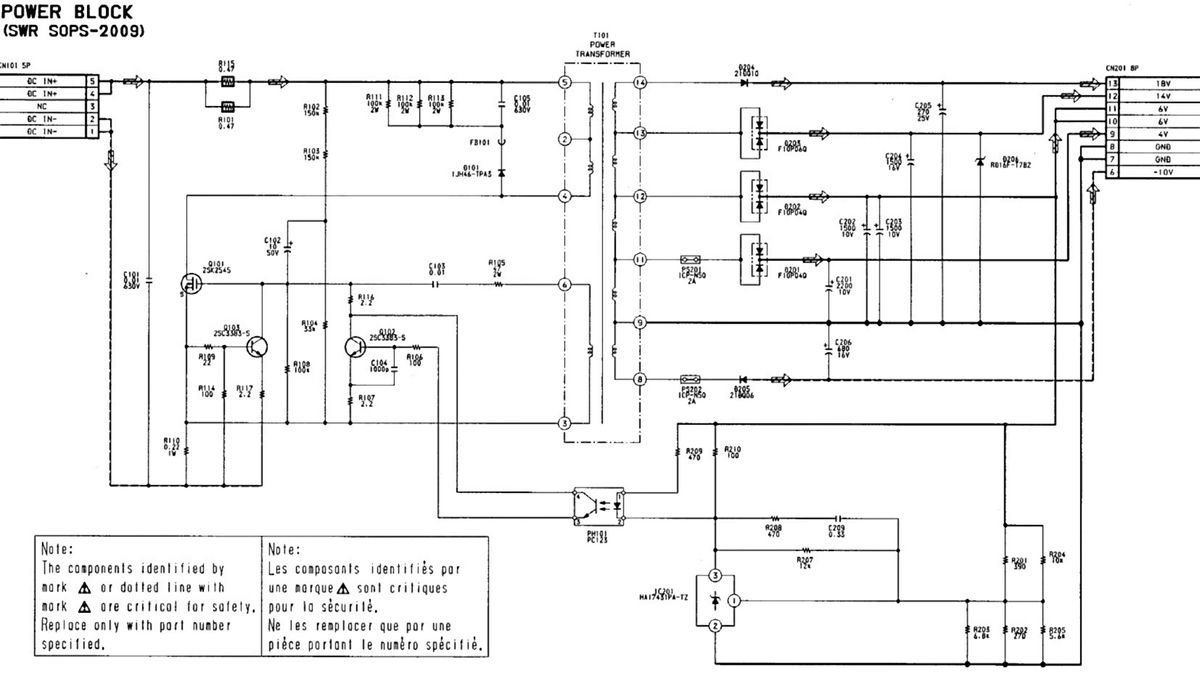
Pour le camescope je ne peux pas vous aider mais pour le DHR1000 (j'en possède un) peut-être est-ce comme pour moi plus d'alimentation . J'ai essayé d'en trouver une sans succès . Elle était déjà tombée en panne il y a environ une dizaine d'années je l'avais réparée moi même et elle à fonctionné environ 3 ans et est à nouveau HS depuis 7 ans . C'est une alimentation à découpage c'est la partie puissance qui tombe en panne parce qu'elle chauffe trop, condensateurs HS surtout les chimiques, les transistors grillent aussi donc difficile et couteux à réparer ci joint une photo qui montre qu'elle chauffe beaucoup mais peut-être n'avez vous pas la même panne. Je possède un schéma que j'avais trouvé sur le net., Je vous joint une photo de l'alim qui à chauffé. Si c'est votre cas je vous joints aussi le schéma de l'alimentation.

 Cordialement: bouéxière

DSC04746.JPGpsupply – Redimensionné.jpg